POCETNA STRANA

Seminarski i Diplomski Rad
 
SEMINARSKI RAD IZ ELEKTRONIKE / ELEKTROTEHNIKE
 
OSTALI SEMINARSKI RADOVI IZ ELEKTRONIKE / ELEKTROTEHNIKE
Diode-seminarski rad
Primenjena elektronika-seminarski rad
Gledaj Filmove Online  

 

 

 

 

 

 

 

Kvalitet električne energije-viši harmonici

1.1. Kvalitet električne energije

Prisustvo velikog broja nelinearnih potrošača u distributivnim mrežama dovodi do niza negativnih efekata koji se odražavaju kako na samu mrežu tako i na ostale priključene potrošače. Zajednički interes potrošača i proizvođača električne energije je poslednjih godina doveo u žižu interesovanja probleme vezane za kvalitet električne energije, odnosno sadržaj harmonika u distributivnoj mreži i druge aspekte kvaliteta električne energije (neprekidnost napajanja, prisustvo kratkotrajnih fluktuacija i distorzija,...).

         Danas je u svetu pred proizvođače i projektante uređaja energetske elektronike postavljen čitav niz standarda i preporuka iz oblasti kvaliteta električne energije. Tradicionalno se smatralo da je kvalitet električne energije u stvari pouzdanost,odnosno nepostojanje trajnih prekida u snabdevanju električnom energijom, dok moderno shvatanje kvaliteta električne energije podrazumeva i sigurno (neprekidno) napajanje i fizički kvalitet napona. Problemi neprekidnosti napajanja se uglavnom rešavaju u toku postupka planiranja i izgradnje mreže, dok je problem fizičkog kvaliteta napona usko vezan za eksploataciju. Dominantan uticaj na fizički kvalitet napona imaju nelinearni potrošači (uređaji energetske elektronike, zasićene električne mašine,elektrolučne peći, itd...),tranzijentne pojave usled komutacija u sistemu (rad prekidača),rad elektroenergetskog sistema na granicama mogućnosti, itd...

 Narušavanje kvaliteta električne energije podrazumeva narušavanje osnovnih parametara napona u ustaljenim ili prelaznim režimima i deformaciju talasnih oblika. Osnovni parametri napona su njegova efektivna vrednost, frekvencija i simetrija faznih napona.Dalje će biti razmatrani standardi vezani za sadržaj viših harmonika kako napojnog napona tako i struje koju potrošač uzima, dok drugi aspekti kvaliteta električne energije se neće razmatrati. 

2. Viši harmonici

Napon viših harmonika je sinusni napon, čija je frekvencija celobrojni umnožak frekvencije osnovnog harmonika.Viši harmonici su nepoželjni u mrežama, jer se zbrajaju na osnovni talas i izobličuju ga, što uzrokuje problem u napajanju osetljivih potrošača, npr. medicinske opreme,koja zahteva čisti sinusni napon.

Talasni oblici napona prvog, petog i sedmog harmonika

Slika 2.Talasni oblici napona prvog, petog i sedmog harmonika

 

Dopuštene vrednosti viših harmonika (h od 2 do 40) tablično se prikazuju, i to:

- pojedinačno, njihovim amplitudama (Uh), svedenim na amplitudu osnovnog harmonika 
(U1),
- zajednički, pomoću ukupnog sadržaja viših harmonika: THD (eng. Total Harmonic Distortion –    ukupno harmonijsko izobličenje), koje se izračunava kao:

....................................................................................................(1)
Tokom svakog desetminutnog intervala vrednost THD-a mora biti < 8% vrednosti prvog harmonika, dok vrednosti pojedinih harmonika mogu imati vrednosti najčešće u pojasu od 0,5% (npr. od 6., do 24. harmonika) do 6% (npr. za “poznati” 5. harmonik) od vrednosti prvog harmonika.Više harmonike u mrežnom naponu najčešće proizvode viši harmonici struja nelinearnih opterećenja potrošača, koji su priključeni na različitim nivoima distributivne mreže. Ti viši harmonici struje opterećenja stvaraju na impedansama unutar distributivne mreže odgovarajuće više harmonike napojnog napona. S druge strane, sve veća primena pretvarača frekvencije i sličnih upravljačkih uređaja utiče na povećanje vrednosti međuharmonika, čije se dopuštene vrednosti u okviru norme EN 50160 još razmatraju.U pojedinim situacijama i međuharmonici malih intenziteta izazivaju treperenje (flikere) ili smetnje u sistemu mrežnog tonfrekventnog upravljanja.

2.1. Merenje ukupnog harmonijskog izobličenja napona

Za izračunavanje  THD U   koriste se izmerene (RMS) vrednosti svakog od prvih 40 harmonika (Un) i vrednost nazivnog napona (osnovni harmonik), koja prema normi EN 50160 iznosi npr.: U1 = 220 V, a prema jednačini:
…………………………………………………………….(2)

Pomnoženo s 100%, THD U % ne sme biti veće od 8% vrednosti nazivnog napona. Ta jednačina u skladu je sa normom EN 61000-4-7.

2.2. Izračunavanje ukupnoga harmonijskog izobličenja napona i struje

Za izračunavanje THD U i THD I,  primenjuju se sledeće jednačine:

……………………………………………………………(3)
………………………………………………………...(4)

Pri čemu su:
Urms – efektivna vrednost (RMS – Root Mean Square) ukupnog napona
U1 – efektivna (RMS) vrednost napona osnovnog harmonika
Irms – efektivna vrednost ukupnog signala struje
I1 – RMS vrednost struje osnovnog harmonika (nazivna vrednost signala na 50 Hz).

3. Izvori viših harmonika

Izvori viših harmonica su:

  • Prekidačke napojne jedinice,
  • Elektronske prigušnice za fluo cevi,
  • Regulisani elektromotorni pogoni,
  • Besprekidna napajanja,
  • Energetski ispravljači i pretvarači,
  • Transformatori sa nelinearnim magnećenjem,
  • Elektrolučne peći,
  • Indukcione peći,
  • Aparati za elektrolučno zavarivanje.

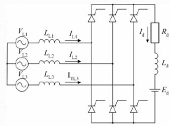
Šema trofaznog ispravljaca
Slika 3. Šema trofaznog ispravljača
Talasni oblik struje trofaznog ispravljaca
Slika 3.2. Talasni oblik struje trofaznog ispravljača
Talasni oblici struje

Slika 3.5. Talasni oblici struje:
a) magnećenja transformatora,
b) hladnjaka zamrzivača,
c) klima uređaja,
d) jednofaznog pretvarača sa sklopnim načinom rada,
e) fluorescentne cevi sa elektromagnetnom prigušnicom,
d) fluorescentne cevi sa elektronskom prigušnicom

4. Problemi zbog viših harmonika

Problemi koji u elektroenergetskom sistemu nastaju zbog prisustva viših harmonika su brojni i ovde će biti navedeni samo neki, kao što su:

Manja iskoristivost snage. Mrežni kablovi su dimenzionisani i osigurani na osnovu struje koju mogu sigurno isporučiti. Pošto mali faktor snage povećava prividnu struju iz izvora, iznos korisne snage koju može povući kolo je smanjen zbog toplotnih ograničenja.
Enormno smanjenje raspoložive snage izazvano je ili faznim pomakom ili distorzijom.
Troškovi distribucije. Ako postoji mnoštvo opterećenja sa malim faktorom snage, postavljaju se zahtevi za dodatnim proizvodnim i distributivnim kapacitetima. Troškovi, rastu proporcionalno sa inverznom vrednošću faktora snage. Gubici u disipativnim elementima (žice i namotaji transformatora) proporcionalni su kvadratu prividne struje pa troškovi za obezbeđenje ove disipirane snage su takođe u inverznoj vezi sa faktorom snage. Brojila električne energije registrovaće samo aktivnu snagu pa korisnici ne plaćaju reaktivnu snagu.
Distorzija napona. Impedanse realnih izvora su konačne. Kablovi su sve tanji prema krajnjim potrošačima električne energije. Mali preseci provodnika u uređajima i velika strujna distorzija utiču na oblik napona i on postaje nesinusoidan.Distorzija napona izaziva probleme u radu napojnih jedinica i drugih obližnjih uređaja spojenih na isti izvor.
Trofazni sistemi. Nesimetrično opterećenje izaziva neželjene struje u neutralnom provodniku. Ali, čak i kod potpuno simetrčnog opterećenja koje generiše više harmonike, harmonijski sadržaj će se pojaviti u neutralnom provodniku ( to su tzv. harmonici trećeg reda, 3-ći, 6-ti, 9-ti itd.).
Prethodno nabrojani negativni efekti koje izaziva distorzija mrežne struje i viši harmonici, doveli su do potrebe za postavljanjem ograničenja na strujne harmonike koje u mreži izazivaju priključeni uređaji..

5. Metode za neutralisanje viših harmonika

Da bi se harmonijski problem smanjio ili eliminisao postoji nekoliko osnovnim rešenja:

  • smanjenje intenziteta harmonijskih struja,
  • postavljanje filtera,
  • popravka faktora snage.

5.1. Metode smanjenja intenziteta harmonijskih struja

Metode smanjenja intenziteta harmonijskih struja obično podrazumevaju menjanje načina rada pogona, koji generišu harmonike. Takav pristup je teško praktično izvesti, jer to može da utiče na kompletan proizvodni proces, odnosno moguće je jedino u fazi projektovanja.
Neka od rešenja koja se koriste pri ograničavanju viših harmonika u fazi projektovanja su:

  • Izmeštanje nelinearnih prijemnika što dalje od osetljive opreme.

Z1 i  Z2 su impedanse priključnih kablova

Osetljivi prijemnici

Nelinearna opterećenja

 Izmeštanje nelinearnih prijemnika

Slika 5. Izmeštanje nelinearnih prijemnika

  • Grupisanje nelinearnih prijemnika,koji se priključuju na odvojene sabirnice

Impedanse priključnih kablova

Osetljivi prijemnici

Nelinearna opterećenja

Nelinearna opterećenja

 Prikljucenje više nelinearnih prijemnika
Slika 5.1.Priključenje više nelinearnih prijemnika

  • Instaliranje više transformatora,jedni napajaju nelinearne prijemnike,dok drugi napajaju linearne prijemnike.

Visokonaponska strana

Nelinearna opterećenja

Linearna opterećenja

 Posebni transformatori za posebne vrste prijemnika

Slika 5.2. Posebni transformatori za posebne vrste prijemnika

  • Odgovarajućim sprezanjem transformatora mogu se ograničiti viši harmonici. Sprega namotaja u trougao dovodi do blokiranja daljeg toka svih harmonika, koji su umnozak od 3. Unošenjem faznog pomeraja od 30 stepeni, sprezanjem sekundara transformatora u zvezdu i u trougao, dobija se efekat 12-pulsnog ispravljača, odnosno eliminišu se 5-ti i 7-mi harmonik.

Razlicito sprezanje namotaja utice na eliminisanje pojedinih harmonica
Slika 5.3. Različito sprezanje namotaja utiče na eliminisanje pojedinih harmonica

5.2. Postavljanje filtera 

U slučajevima kada navedena rešenja nisu dovoljna ili nemoguće ih je izvesti primenjuje se rešenje ugradnjom filtera.Postoje tri vrste filtera:

  • Pasivni
  • Aktivni
  • Hibridni

5.2.1. Pasivni filteri

Pasivni filteri se najčešće postavljaju paraleno potrošaču i sastoje se od kondenzatora sa pridodatom prigušnicom slika 5.4. Rezonantna frekvencija filtera se proračunava uvek da bude nešto ispod frekvencije najnižeg dominantnog harmonika. Time se obezbeđuje da filter pravilno radi i u slučaju oscilacija parametara kondenzatora zbog temperature i sl., a i da se izbegne da se antirezonantna učestanost približi učestanosti harmonika. Primena serijskih filtera se ređe primenjuje, a cilj im je da predstavljaju visoku impedansu za harmonike struje i na taj način blokiraju njihovo širenje u mrežu.

Primenjuju  se:

  • U postrojenjima koja sadrže nelinearna opterećenja čije snage idu preko 200kVA,
  • U postrojenjima koja traže popravku faktora snage,
  • U postrojenjima gde se izobličenje napona mora smanjiti na dopuštene vrednosti,da bi se izbegao uticaj na osetljive prijemnike.
 Pasivni filter
Slika 5.4. Pasivni filter

5.2.2. Aktivni filteri

Aktivni filteri su u stvari energetski elektronski pretvarači, koji su tako programirani da vrše kompenzaciju viših harmonika.

Aktivni filteri kompenzuju više harmonike,proizvedene od strane nelinearnih prijemnika,tako što proizvode iste takve harmonike samo suprotnih faza. Sa takvim filterom obezbeđuje se "čista" sinusoidna struja mreže, a često i faktor snage 1. Složenije konfiguracije omogućuju potpuno otklanjanje svih poremećaja, koji utiču na kvalitet električne energije.
Primenjuju se postrojenjima koja sadrže nelinearna opterećenja čije snage su manje od 200kVA i u postrojenjima kod kojih bi usled velikog izobličenja struje došlo do preopterećenja.

 Aktivni filter

Slika 5.5. Aktivni filter


Talasni oblici struje opterecenja pre i posle filtriranja

Slika 5.6. Talasni oblici struje opterećenja pre i posle filtriranja

Visokonaponski aktivni filter

Slika 5.7. Visokonaponski aktivni filter Charm BP, firme ABB

5.2.3. Hibridni filteri

Kombinacijom pasivnih i aktivnhi filtera dobijaju se hibridni filteri.Ovo rešenje nudi prednosti oba tipa filtera i obuhvata širok spektar snaga.Primenjuju  se obično u industrijskim postrojenjima koja sadrže nelinearna opterećenja čije snage idu preko 200kVA.

 Hibridni filter

Slika 5.8. Hibridni filter

5.3. Popravka faktora snage

Najjednostavniji način da se ostvari kontrola viših harmonika i pritom popravi faktor snage je ugrađivanje kondenzatorskih baterija za kompenzaciju reaktivne energije.
Njihova rezonantna učestanost je često blizu učestanosti karakterističnih harmonika,pa dolazi do neželjenih neagativnih pojava.Dodavanjem redne impedanse u kolo kondenzatora negativne pojave se mogu otkloniti,šematski je to pokazano na slici 5.9. Ugradnjom kondenzatorskih baterija ostvaruje se značajna kontrola petog harmonika.

 Kondenzatorska baterija sa pridodatim rednim impedansama
Slika 5.9. Kondenzatorska baterija sa pridodatim rednim impedansama

6. Standardi i preporuke

6.1. Standardi i preporuke u Francuskoj

U Francuskoj su prema preporuci Regulations Concerning the Installation of Power Convertors Taking into Account the Characteristics of the Supply Network,definisane sledeće granične vrednosti viših harmonika harmonijskog izobličenja, kada je samo jedan potrošač vezan za tačku priključenja na mrežu, i iznose:

a) za parne harmonike 0,6% osnovnog harmonika napona,
b) za neparne harmonike 1% osnovnog harmonika napona,
c) ukupno harmonisko izobličenje napona u tački priključenja 1,6%.

Ove granice su izabrane tako da se osigura nivo od oko 5% THD napona u tački priključenja, da ne bude premašen kada su svi potrošači priključeni.

6.2. Nemački standard DIN 57160 (VDE 0160/11.81)

U Nemačkoj standard DIN 57160 (VDE 0160/11.81) određuje dozvoljene nazivne vrednosti uređaja koji generišu više harmonike, koje nisu veće od 1% vrednosti snage kratkog spoja. Pojedinačni nivoi harmonika, do 15-tog harmonika iznose 5% osnovnog harmonika napona,dozvoljeni nivo harmonika opada do 1% osnovnog harmonika napona za 100-ti harmonik, prema definisanoj krivoj liniji. Ukupno harmonisko izobličenje napona u tački priključenja ne sme da pređe 10%.

6.3. Standardi i preporuke u Švedskoj

Švedska, probleme viših harmonika opisuje u posebnoj preporuci i definiše zahteve kojima se ograničava priključenje potrošača u zavisnosti od mesta priključenja,vrste potrošača i ukupnog harmonijskog izobličenja.
U tabeli 1., su prikazane vrednosti ukupnog dozvoljenog harmonijskog izobličenja napona u zavisnosti od nazivnog napona napojne mreže.

Tabela 1. Ukupno dozvoljeno harmonijsko izobličenje u Švedskoj

Ukupno dozvoljeno harmonijsko izoblicenje u Švedskoj

6.4. Standardi i preporuke u Australiji

Istorijski gledano, prvi kompletan standard koji razmatra probleme viših harmonika u distributivnim i prenosnim mrežama je izdat u Australiji (Standard AS 2279-1991)

Standard se sastoji iz četiri dela:
— prvi deo razmatra i definiše dozvoljene vrednosti viših harmonika prouzrokovanih priključenjem aparata za domaćinstvo i sličnih uređaja,
— drugi deo razmatra i definiše dozvoljene vrednosti viših harmonika prouzrokovanih priključenjem industrijskih postrojenja,
— treći i četvrti deo se odnose na dozvoljene fluktuacije napona prouzrokovane priključenjem aparata za domaćinstvo i sličnih uređaja i industrijskih postrojenja.

Prvi deo standarda se primenjuje na aparate za domaćinstvo i slične uređaje naznačene snage manje od 4,8 kVA priključene na distributivnu niskonaponsku mrežu nazivnog napona 240 V monofaznog sistema i 240/415 V trofaznog sistema. U ovom delu standarda se određuju:

— dozvoljene vrednosti viših harmonika struje koje mogu u distributivnu mrežu unositi pomenuti uređaji,

  • referentna impedansa mreže,
  • praktične metode merenja viših harmonika.

Za monofazne uređaje naznačenog napona 240 V, kao i za trofazne uređaje naznačenog napona 415 V, primenjuju se granične vrednosti harmonika struje Ih, i napona Vhprema tabelama 2 i 3.

Tabela 2. Granične vrednosti harmonika struje prema Australijskom standardu AS
2279-1991

Granicne vrednosti harmonika struje prema Australijskom standardu AS
Tabela 3. Granične vrednosti harmonika napona prema Australijskom standardu AS
2279-1991

Granicne vrednosti harmonika napona prema Australijskom standardu AS

U drugom delu standarda date su maksimalno dozvoljene vrednosti viših harmonika koje u distributivnu mrežu unosi industrijska oprema napajana sa srednjeg i visokog napona,naznačene snage veće od 4,8 kVA. Kako je pomenuta oprema raznovrsna, izvršena je njena podela u tri velike grupe:

- Prvu grupu čine uređaji koji se mogu priključiti bez posebne dozvole na distributivnu mrežu, a čija naznačena snaga je manja od 0,3% snage trofaznog kratkog spoja u tački priključenja.
a) Pri tome je nazivna snaga uređaja manja od 75 kVA, za priključenje na sekundarnu mrežu, odnosno 500 kVA za primarnu distributivnu mrežu (napon mreže od 415 V do 33 kV). Pri tome snaga kratkog spoja mora biti najmanje 5 MVA za sekundarnu mrežu (415/240 V), odnosno 50 MVA za primarnu distributivnu mrežu (6,6; 11 i 24 kV).

b) U slučaju priključenja više manjih pretvarača suma njihovih snaga ne sme da pređe granicu od 75 kVA;

c) Pri monofaznom priključenju naznačena snaga pretvarača nije veća od 5 kVA pri naponu 240 V, odnosno 7,5 kVA pri naponu 415 V.

- Druga grupa potrošača obuhvata uređaje koji se mogu priključiti na distributivnu mrežu ako postojeće ukupno harmonijsko izobličenje u tački priključenja nije veće od 75% vrednosti harmonika napona pre priključenja.

- U treću grupu spadaju uređaji velikih snaga i za njih su potrebna posebna merenja i studije.

6.5. Standardi i preporuke međunarodne elektrotehničke komisije (IEC)

Problemom viših harmonika se bavi više radnih grupa Međunarodne elektrotehničke komisije (IEC). Prvi standard se pojavio 1982. godine, (IEC 555) koji se sastoji iz tri dela: IEC 555-1 Definicije, IEC 555-2 Harmonici, IEC 555-3 Fluktuacije napona. Ovaj standard je preveden i primenjuje se u Srbiji i Crnoj Gori od 1989-godine, (JUS N.A6.101, JUS N.A6.102, JUS N.A6.103).
Dalji rad IEC komiteta TC 77 rezultovao je nizom standarda kojima se ograničavaju struje i naponi viših harmonika na vrednosti za koje se smatra da električna mreža može da ih toleriše. Tu se posebno izdvajaju standardi iz grupe IEC 61000, u kojima je obrađena problematika viših harmonika (osnovne definicije,merenja, proračuni i dozvoljene granične vrednosti).

U standardu IEC 61000-3-6 , definišu se osnovni zahtevi koje treba da ispune nelinearni potrošači da bi se priključili na distributivnu mrežu. Granične vrednosti viših harmonika su tako određene da se održi zadovoljavajući kvalitet napona i to kako u tački priključenja nelinearnog potrošača na distributivnu mrežu tako i prema ostalim potrošačima.

Tabela 4. Granične vrednosti harmonika napona na nivou elektromagnetne
kompatibilnosti prema standardu IEC 61000-2-2

Granicne vrednosti harmonika napona na nivou elektromagnetne

Na osnovu ove procedure može se proceniti da li će amplitude unetih viših harmonika u distributivnu mrežu zadovoljiti planirani nivo, odnosno nivo elektromagnetne kompatibilnosti. Ukoliko potrošači zadovolje navedene granične vrednosti sadržaja viših harmonika, dozvoljava se priključenje, a u protivnom se priključenje uslovljava odgovarajućim metodom za eliminaciju viših harmonika.

Takođe, ovim standardom se definiše da za pojavu viših harmonika u havarijskim radnim režimima odgovornost snosi isporučilac električne energije a ne potrošač.Za priključenje malih potrošača koji ne unose značajna harmonijska izobličenja struje i napona ne mora se tražiti posebna dozvola. Priključenja ovih potrošača na niskom naponu su regulisana standardima IEC 61000-3-2 i IEC 61000-3-4.

Zaključak

Otvaranjem tržišta, električna energija postaje roba kao i svaki drugi proizvod te mora zadovoljavati zadate kriterijume kvaliteta.

U prenosnoj mreži probleme predstavljaju elektrolučne peći,vetroelektrane, i železnica, dok su u distributivnoj mreži najveći problem uređaji koji se zasnivaju na energetskoj elektronici.

Ograničavanje viših harmonika u distributivnim mrežama pomoću odgovarajućih standarda i preporuka neophodno je iz više razloga:

  • da se ograniči nivo izobličenja talasnih oblika struje i napona na vrednosti koje sistem i njegovi elementi mogu da tolerišu i time omoguće kvalitetnu isporuku električne energije potrošačima,
  • da ne utiču na dalje širenje upotrebe energetskih pretvarača i drugih uređaja koji unose nelinearnost u distributivnu mrežu,
  • da se ograniči ometanje drugih uređaja i sistema od strane distributivne mreže (telefonske mreže i sl.)

Iz pregleda nacionalnih standarda i preporuka se vidi da većina njih određuje granične vrednosti ukupnog harmonijskog izobličenja THD, koje se razlikuju na pojedinim naponskim nivoima. U većini zemalja se ovaj faktor usvaja da bude za niski napon THD <5%, za srednji napon THD je između 3 i 5%, a za visoki 1-1,5%.  

Literatura

[1] Željko Novinć,Kvalitet električne energije-priručnik,Elektrotehnički fakultet Osijek
[2] Janda Žarko,Pregled standarda i preporuka za kontrolu viših harmonika u električnim mrežama, Zbornik radova, Elektrotehnički institut "Nikola Tesla"2004.
[3] Nenad Jovančić, Osnovne metode popravka faktora snage,Elektrotehnički fakultet Sarajevo
[4] Srđan Žutobradić, Harmonici u Elektroenergetskom sistemu,Hrvatska energetska regulatorna agencija (HERA)
[5] Harmonic detection and filtering,katalog firme Schneider Electric
[6] http://www.ho-cired.hr/referati/SO2-17.pdf
[7] http://www.fer.hr/_download/repository/Galzina,KDI.pdf
[8] http://www.fer.hr/_download/repository/EMCPredavanje20070615.pdf

Besplatni Seminarski Radovi